Electrónica: Circuitos Práticos com Estabilizadores de Tensão: Cromo #5 – Regulador de 6 V para Dínamos
Circuitos Práticos com Reguladores de Tensão
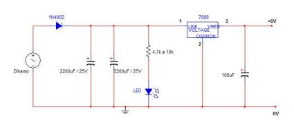
5. Regulador de 6 V para Dínamos
Este circuito é indicado para fontes de energias alternativas, como por exemplo o dínamo de uma bicicleta.
Se tem um dínamo de bicicleta, por exemplo, pode usá-lo para construir a sua fonte de alimentação.
Basta um pouco de imaginação, acoplar o seu dínamo a um sistema mecânico, como por exemplo uma queda de água, um moinho de vento, ou outra coisa que faça o seu dínamo rodar e produzir a energia.
Depois é só ligar os restantes componentes ao dínamo e obter uma fonte de alimentação de 6 V, como se mostra a seguir.
. O circuito integrado 7806 deve ser montado num dissipador de calor, sendo que a corrente máxima obtida na saída não deve superar 1 A, valor que ainda assim torna obrigatório o tel dissipador de calor.
Depois de montada, pode usar a fonte para alimentar pequenos aparelhos electrónicos como rádios, gravadores, etc.; devido ao estabilizador utilizado evita-se o perigo de sobrecargas causadas pela flutuação da tensão que um dínamo comum sempre apresenta quando em funcionamento normal.
. O led serve apenas para indicar que a energia está a ser produzida, e funciona como uma carga para o circuito quando não há nada ligado à sua saída.
Segue o link com o circuito Multisim correspondente e que permite a simulação.
Posts Relacionados:
- Electrónica: Circuitos Práticos com Estabilizadores de Tensão: Cromo #1 – Fonte sem Transformador
- Electrónica: Circuitos Práticos com Estabilizadores de Tensão: Cromo #6 – Fonte Multi-Tensão
- Electrónica: Circuitos Práticos com Estabilizadores de Tensão: Cromo #8 – Regulador de 10V
- Electrónica: Circuitos Práticos com Estabilizadores de Tensão: Cromo #4 – Redutor de 48 V para 15 V / 1,5 A
- Electrónica: Circuitos Práticos com Estabilizadores de Tensão: Cromo #7 – Controlo de Temperatura












0 comentários
Mande uns "bitaites" preenchendo o formulário abaixo.
Deixe-nos um comentário