Transístor Bipolar – Zona Activa
A animação interactiva abaixo mostra o funcionamento de um transístor bipolar na sua zona activa.
Dezembro 20, 2011 Não há comentários
Transístores de Junção Bipolar (parte 4… e última)
TRANSÍSTORES BIPOLARES (IV)
Amplificadores de Potência
Numa aparelhagem de alta fidelidade, num rádio ou numa televisão, o sinal de entrada é pequeno. Depois de várias etapas de amplificação de tensão, o sinal torna-se grande e utiliza a recta de carga na sua totalidade. Nestas últimas etapas de amplificação, as correntes de colector são muito maiores porque as impedâncias de carga são muito menores. Por exemplo, numas colunas de som, a impedância de carga é apenas de 8 Ω.
Os trans´sitores que falámos antes (de pequeno sinal) têm uma limitação de potência de 1W, mas estes transístores utilizados nas últimas etapas de amplificação (de potência) as suas limitações de potência são maiores.
Classes de funcionamento dos amplificadores
Classe A – É aquele em que o transístor trabalha sempre na sua zona activa.
Isto equivale a dizer que, pelo colector, circula corrente durante os 360º do ciclo do sinal, como se vê na figura:
Neste caso teremos de dimensionar o circuito de forma a situar o ponto Q a meio da recta de carga, de forma a que o sinal possa oscilar sobre a máxima amplitude possível, sem saturar ou cortar o transístor, o que distorceria o sinal.
Classe B – Neste caso, a corrente de colector circula apenas durante meio ciclo (180º), como se mostra na figura:
Devemos dimensionar o ponto Q no corte. Assim, apenas a metade positiva da tensão alternada na base do transístor produz uma corrente no colector.
Esta medida reduz a dissipação de calor nos transístores de potência.
Classe C – Neste caso circula corrente pelo colector em menos de metade do ciclo, como se mostra na figura:
Apenas parte do semiciclo positivo da tensão alterna na entrada produz corrente no colector.
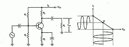
Duas rectas de carga
Cada amplificador tem um circuito equivalente para corrente contínua e outro para corrente alterna. Por isso existem duas rectas de carga.
Nas fichas anteriores temo-nos debruçado sobre a recta de carga para contínua.
Vejamos agora o caso do funcionamento em corrente alterna.
Circuito exemplo – amplificador com divisor de tensão na base
circuito equivalente em alterna
–> Recta de carga para alternada
A resistência de emissor não afecta o funcionamento pois, em alterna, “está” ligada à terra, devido ao condensador.
A resistência de colector para alterna é menor que para contínua, porque em alterna está em paralelo com RL, visto que o condensador em alterna funciona como “curto-circuito”.
Portanto, o sinal alternado o ponto de funcionamento move-se ao longo da recta de carga.
Como a inclinação é menor que a da recta da contínua, o máximo pico a pico do sinal de saída terá de ser sempre menor que VCC.
A saída (pico a pico) poderá ser maior quando o Q se situar a meio da recta de carga:
e será, sempre, MP = ICQ.rc ou VCEQ (o menor). A meio é igual.
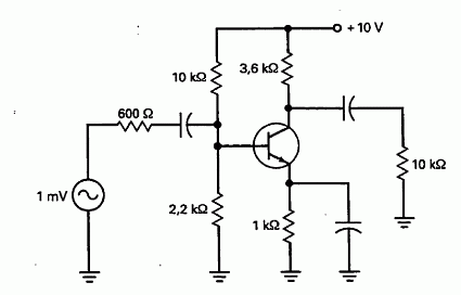
Exemplo 1:
Qual é o valor de ICQ, VCEQ e rc, na figura seguinte?
Solução:
              1,8 V – 0,7 V
ICQ = ——————— = 1,1 mA
                    1 kΩ
VC = 10 V – (1,1 mA) . (3,6 kΩ) = 6,04 V
VCEQ = 6,04 V – 1,1, V = 4,94 V
rc = 3,6 kΩ // 10 kΩ = 2,65 kΩ
Exemplo 2: Que valor toma a tensão de saída máxima pico a pico?
Solução:
Com uma tensão de alimentação de 10 V –> MPP < 10 V
por outro lado, podemos ser mais precisos:
ICQ.rc = (1,1mA) . (2,65 kΩ) = 2,92 V
VCEQ = 4,94 V
Como o pico máximo de saída é o menor dos dois:
MP = 2,92 V
MPP = 2 . (2,92 V) = 5,84 V
Funcionamento em Classe A
Ganho de potência
G = Pout / Pin
Potência de Saída:
                      MPP2
Pout(máx) = ——–
                       8.RL
Dissipação de potência no transístor
Quando não há sinal de entrada, a potência dissipada é:
PDQ = VCEQ . ICQ
Quando aparece um sinal na entrada, a potência de dissipação diminui, uma vez que o transístor transforma alguma da potência estacionária em potência de sinal.
Rendimento
Define-se como:
        Pout
η = ———– . 100 %
        PDC
isto é, o rendimento é igual à potência de saída para o sinal (alternada), a dividir pela potência de entrada contínua.
O rendimento é importante, sobretudo, para equipamentos que funcionam com pilhas.
O rendimento máximo dos amplificadores de classe A é de 25 %, o que só é aceitável para etapas iniciais de amplificação, em que as potências em jogo são pequenas.
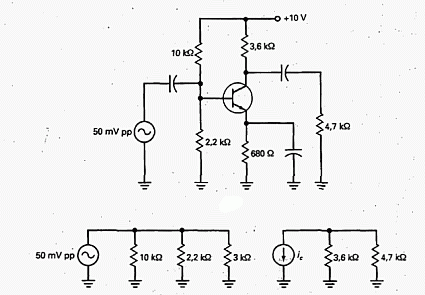
Exemplo:
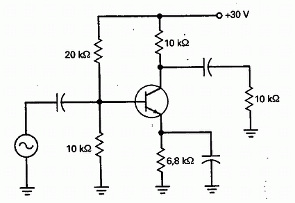
Se a tensão de saída pico a pico for de 6,3 V e a impedância de entrada da base for de 3 kΩ, qual é o ganho de potência na figura seguinte?
Solução:
No circuito equivalente para contínua b), a impedância de entrada é:
Zin = 10 kΩ // 2,2 kΩ // 3 kΩ = 1,13 kΩ
A potência de entrada de contínua é:
             (50 mV)2
Pin = ——————- = 0,277 μW
          8 . (1,13 kΩ)
A potência de saída alternada é:
               (6,2 V)2
Pout = —————— = 1,02 mW
             8 . (4,7 kΩ)
pelo que o ganho de potência é de:
          1,02 mW
G = —————- = 3,682
         0,277 μW
Exemplo 2:
Qual é a potência dissipada pelo transístor da figura a)?
Solução:
A corrente contínua de emissor é:
          1,1 V
IE = ———— = 1,62 mA
          680 Ω
A tensão de colector vale:
VC = 10 V – (1,62 mA) . (3,6 kΩ) = 4,17 V
E a tensão contínua emissor-colector é de:
VCEQ = 4,17 V – 1,1 V = 3,07 V
Pelo que a dissipação de potência no transístor é de:
PDQ = VCEQ . ICQ = (3,07 V) . (1,62 mA) = 4,97 mW
Exemplo 3:
Qual é o rendimento do circuito da figura a)?
A corrente de polarização que atravessa o divisor de tensão é de:
                               10 V
Ipolarização = —————- = 0,82 mA
                           12,2 kΩ
A corrente de colector sem sinal é de 1,62 mA. O consumo de corrente é de:
IDC = 0,82 mA + 1,62 mA = 2,44 mA
A potência de entrada de contínua é:
PDC = VCC . IDC = (10 V) . (2,44 mA) = 24,4 mW
Como a potência de saída alterna é de 1,02 mW, o rendimento é:
        1,02 mW
η = ————– . 100 % = 4,2 %
        24,4 mW
Funcionamento em Classe B
A classe A é mais simples e mais estável, mas o seu rendimento é muito pequeno, o que é desfavorável para alimentação a pilhas, pelo que se usa a classe B, de maior rendimento.
A figura seguinte mostra uma montagem amplificadora básica em classe B.
Em cada semiciclo, um dos transístores funciona (enquanto o outro está cortado), a saída recebe um ciclo completo de sinal amplificado.
Vantagens e Desvantagens:
Como não há polarização, cada transístor está ao corte quando não tem sinal de entrada, o que resulta numa vantagem, pois não há consumo de corrente quando o sinal é zero.
Outra vantagem é o aumento de rendimento quando há um sinal de entrada. O máximo rendimento de um amplificador de classe B em contrafase é de 78,5 %, pelo que é mais utilizado nas etapas finais de amplificação.
A principal desvantagem é o uso de transformadores, que são pesados e caros.
Funcionamento em Classe C
Na classe C precisamos de usar circuitos ressonantes como carga. Por isso, a maioria dos amplificadores de classe C são amplificadores sintonizados.
Frequência de Ressonância
Com o funcionamento em classe C, a corrente de colector circula durante menos de um semiciclo. Um circuito ressonante em paralelo pode filtrar os impulsos de corrente de colector e produzir um sinal sinusoidal puro de tensão de saída. A principal utilização para a classe C são os amplificadores sintonizados de RF e o seu rendimento máximo é de 100 %.
O sinal amplificado e invertido à saída está acoplado por condensador à carga. Devido ao circuito ressonante em paralelo, a tensão de saída é máxima na frequência de ressonância:
                   1
fr = ———————–
          2 . √LC .  
No resto das frequências o ganho de tensão cai, pelo que este amplificador é sobretudo usado para amplificação de bandas estreitas de frequências (rádio e televisão).
Equações para a Classe C:
Universais:
        Pout
G = ———-   (ganho de potência)
        Pin
               Vout
Pout = ————      (potência de saída para alterna)
             8 . RL
                      MPP2
Pout máx = ————–    (máxima potência de saída para alterna)
                       8 . RL
PDC = VCC . IDC        (potência de entrada para corrente contínua)
        Pout
η = ——– x 100 %
        PDC
Dissipação de potência no transístor
Pode mostrar-se que é igual a:
            MPP2
PD = ———–
           40 . rc
Questões:
1. Para o funcionamento em classe B, a corrente de colector circula durante:
a) Todo o ciclo
b) Meio ciclo
c) Menos de meio ciclo
d) Menos de um quarto de ciclo
2. O acoplamento por transformador é um exemplo de:
a) Acoplamento directo
b) Acoplamento para corrente alterna
c) Acoplamento para corrente contínua
d) Acoplamento por impedância
3. Um amplificador de áudio funciona numa gama de frequências de:
a) 0 a 20 Hz
b) 20Hz a 20 kHz
c) 20 a 200 kHz
d) Para cima de 20 kHz
4. Um amplificador de rádiofrequência sintonizado é:
a) De banda estreita
b) De banda larga
c) Acoplado directamente
d) Um amplificador de contínua
5. A primeira etapa de um pré-amplificador é:
a) Uma etapa de rádiofrequência sintonizada
b) Um sinal grande
c) Um sinal pequeno
d) Um amplificador de contínua
6. Para conseguir uma tensão máxima de saída pico a pico, o valor do ponto Q deverá estar:
a) Perto da saturação
b) Perto do corte
c) No centro da recta de carga para contínua
d) No centro da recta de carga para alternada
7. Um amplificador têm duas rectas de carga porque:
a) Tem resistências de colector para corrente contínua e alterna
b) Tem dois circuitos equivalentes
c) A corrente contínua comporta-se de uma forma e a correnre alterna de outra
d) Todos os anteriores
8. Quando o ponto Q está no centro da recta de carga para alterna, a tensão de saída máxima pico a pico é:
a) VCEQ
b) 2 . VCEQ
c) ICQ
d) 2 . ICQ
9. Um circuito em contrafase é quase sempre usado com:
a) A classe A
b) A classe B
c) A classe C
d) Todas as anteriores
10. Uma das vantagens dos amplificadores da classe B é que:
a) Não há consumo de corrente sem sinal
b) O rendimento máximo é de 78,5 %
c) Tem um maior rendimento que a classe A
d) Todas as anteriores
Problemas:
Duas rectas de carga
1. Qual é a resistência de colector de contínua na figura? Quanto vale a corrente de saturação para contínua?
2. Qual é a resistência de colector em alterna na figura? Se o ponto Q está aproximadamente a meio da recta de carga para alterna, qual é a corrente de saturação para alterna?
3. Qual é a saída máxima pico a pico na figura?
4. Suponha que todas as resistências dobram de valor na figura. Qual é agora a resistência de colector para alterna?
5. Suponha que todas as resistências triplicam de valor. Qual é a saída máxima pico a pico?
6. Qual é a resistência de colector de contínua na figura? Qual é a corrente de saturação para contínua?
7. Qual é a resistência de colector em alterna na figura? Se o ponto Q está aproximadamente a meio da recta de carga para alterna, qual é a corrente de saturação para alterna?
8. Qual é a saída máxima pico a pico na figura?
9. Suponha que todas as resistências dobram de valor na figura. Qual é agora a resistência de colector para alterna?
10. Suponha que todas as resistências triplicam de valor. Qual é a saída máxima pico a pico?
Funcionamento em Classe A
11. Um amplificador tem uma potência de entrada de 4mW e uma potência de saída de 2W. Qual é o ganho de potência?
12. Se um amplificador tem uma tensão de saída pico a pico de 15 V na resistência de carga de 1 kΩ, qual é o ganho de potência se a potência de entrada for de 400 μW?
13. Qual é o consumo de corrente na figura 1?
14. Qual é a potência de alimentação de contínua do amplificador da figura 1?
15. O sinal de entrada na figura 1 aumenta até uma tensão de saída máxima pico a pico sobre a resistência de carga. Qual é o rendimento?
16. Qual é a dissipação de potência sem sinal na figura 2?
17. Qual é o consumo de corrente na figura 2?
18. Qual é a potência de alimentação de contínua do amplificador da figura 2?
19. O sinal de entrada na figura 2 aumenta até uma tensão de saída máxima pico a pico sobre a resistência de carga. Qual é o rendimento?
20. Qual é a dissipação de potência sem sinal na figura 2?
Novembro 30, 2009 Não há comentários
O Transístor Bipolar – Ficha de Trabalho (2)
Curso Profissional de Electrónica, Automação e Comando
Disciplina de Electricidade e Electrónica
Módulo 7 – Transístores (11º Ano)
Ficha de Trabalho Nº 2: “O Transístor Bipolar (cont.)”
TRANSÍSTORES BIPOLARES (II)
4. A Ligação em EC
Há 3 formas úteis de ligar um transístor:
. Emissor Comum (EC)
. Colector Comum (CC)
. Base Comum (BC)
A primeira é a mais utilizada. Vamos estudá-la
O nome da montagem vem do facto de a massa de cada fonte de alimentação estar ligada ao emissor, como se pode ver pela figura acima.
Funcionamento:
Na malha esquerda, chamada de malha de base, a fonte VBB polariza directamente o díodo emissor, sendo RB uma resistência limitadora de corrente. Variando o valor de VBB e/ou RB conseguimos controlar a corrente de base que, por sua vez, como veremos adiante, controla a corrente de colector. Isto é, uma pequena corrente (de base) controla uma grande corrente (de colector).
Na malha direita, ou malha de colector, a fonte VCC polariza inversamente o díodo colector através de RC. Essa polarização deve ser inversa, isto é, o colector deve ser positivo, para poder recolher a maioria dos electrões livres injectados na base pelo emissor.
Notação
Índices dobrados indicam fontes de tensão. Ex: VBB, VCC, VEE, …
Por outro lado, índices não dobrados têm o significado que podemos deduzir dos seguintes exemplos:
VCE = VC – VE
VCB = VC – VB
VBE = VB – VE
5. Curva Característica de Entrada
É um gráfico que explica o funcionamento da montagem EC, do lado da malha de entrada.
Assim, dá-nos a curva de IB em função de VBE.
Mas isso não será como um díodo?
Na realidade, como podemos ver pela figura, assim é:
Matematicamente, aplicando a lei das malhas à malha de entrada, temos:
          VBB – VBE
IB = ——————-
                 RB
Exemplo 1.
Calcule a corrente de base na figura dada.
Qual é a tensão na resistência de base?
E a corrente de colector, se ßDC=200?
Solução:
A tensão da fonte da base, de 2 V, polariza directamente o díodo emissor através de uma resistência limitadora de corrente de 100 kohm. como o díodo emissor tem uma queda de tensão de 0,7 V, a tensão na resistência de base é:
VB = VBB – VBE = 2V – 0,7V = 1,3 V
A corrente através da resistência de base será então:
           VBB – VBE                   1,3V
IB = ———————— = ———- = 13 µA
                  RB                      100kohm
Com um ganho de corrente de 200, a corrente de colector será:
IC = ßDC . IB = 200 . 13 = 2,6 mA
6. Curva Característica de Saída
Temos de fazer agora o estudo da malha de colector (direita).
Aqui a coisa é mais complicada pois a malha de saída depende da entrada. Assim, para cada polarização que fizermos na entrada, vamos ter uma curva na saída.
Normalmente, esta característica de saída que estamos a estudar, não é uma curva, mas sim uma família de curvas, cada uma respeitando a uma determinada polarização da entrada. Como não podemos representar todas as situações, naquelas que não estão representadas, teremos de fazer interpolações/aproximações.
Vejamos pois um exemplo. Suponha-se que variámos VBB para que IB desse 10µA. Então poderíamos depois ir variando VCC e ir medidndo os valores de IC e VCE correspondentes, obtendo-se a curva representada:
Quando VCE é zero, o díodo colector ainda não está polarizado inversamente, pelo que a corrente de colector é zero, como já dissémos atrás.
Quando VCE cresce, IC cresce logo rapidamente também, até 1mA, o que corresponde à situação “normal” de o díodo colector estar polarizado inversamente e recolher todos os electrões injectados pelo emissor na base.
O número de electrões livres injectados depende só da corrente de base, razão pela qual, mesmo aumentado VCE a corrente de colector se mantém.
A uma tensão elevada, no nosso caso cerca de 40V, dá-se a ruptura e o transístor deixa de trabalhar como deve, queimando-se, pelo que é de evitar.
Tensão e Potência de Colector
Define-se
VCE = VCC – IC . RC     aplicando a lei das malhas
Quanto à potência do transístor ela é quase toda dissipada na malha de saída pelo que se costuma utilizar
PD = VCE . IC
como potência do emissor
Zonas de funcionamento
Como vimos no ponto anterior, o transístor pode trabalhar em três zonas:
Zona Activa – é a zona central, em que VCE pode estar entre 1 e 40V. É a zona mais importante e que representa o funcionamento normal do transístor.
Zona de Ruptura – é a zona da direita e o transístor nunca deve trabalhar nela pois corre o risco de destruição
Zona de Saturação – é a zona da esquerda em que VCE está entre zero e poucas décimas de volt. Nesta zona o díodo de colector tem uma tensão insuficiente para recolher todos os electrões livres injectados pelo emissor na base.
Zona de corte – ver à frente
Mais Curvas
Como dissemos atrás a característica de saída é normalmente representada por uma família de curvas, cada uma correspondente a uma determinada corrente de base. É o que podemos ver na figura seguinte como exemplo:
Zona de Corte – é a zona correspondente à curva inferior do gráfico anterior. Nela a corrente de base é zero, havendo apenas uma pequena corrente (inversa) de colector, da ordem dos nA.
Os transístores funcionam na zona activa se os queremos como amplificadores.
No caso de circuitos digitais funcionarão na zona de corte e saturação (0 e 1 lógicos)
Exemplos:
1. O transístor da figura seguinte tem um ßDC = 300.
Calcule IB, IC, VCE e PD.
Solução:
         VBB – VBE        10 – 0,7
IB = —————– = ———— = 9,3 µA
                RB                 1 . 106
IC = ßDC . IB = 300 . 9,3 µA = 2,79 mA
VCE = VCC – IC . RC = 10 V – (2,79.10-3 . 2.103) = 4,42 V
PD = VCE.IC = 4,42 . 2,79.10-3 = 12,3 mW
2. A figura seguinte mostra um circuito de transístor desenhado no EWB. Calcule o ganho de corrente do 2N4424
Solução:
Primeiro calculamos a corrente de base
          10 – 0,7
IB = ————– = 28,2 . 10-6 A = 28,2 µA
             330.103
Depois temos de calcular IC. Como o voltímetro indica uma tensão de colector-emissor de 5,45 V, podemos tirar a tensão na resistência de colector:
V = 10 – 5,45 = 4,55 V
Como a corrente de colector é igual à que atravessa essa resistência, basta aplicar a lei de ohm:
           4,55
IC = ——— = 9,68 mA
           470
Finalmente calculamos o ganho de corrente:
              9,68.10-3
ßDC = ————— = 343
               28,2.10-6
Questões:
1. Ao aumentar a tensão da fonte de polarização de colector aumentará:
a) A corrente de base
b) A corrente de colector
c) A corrente de emissor
d) Nenhuma das anteriores								
2. O facto de haver só umas quantas lacunas na zona de base significa que a base
a) Está ligeiramente dopada
b) Está fortemente dopada
c) Não está dopada
d) Nenhuma das anteriores								
3. Num transístor npn polarizado normalmente, os electrões do emissor têm energia suficiente para passar a barreira de potencial da
a) União base-emissor
b) União base-colector
c) União colector-base
d) A trajectória de recombinação							
4. Qual é o aspecto mais importante da corrente de colector?
a) Mede-se em miliampéres
b) É igual à corrente de base dividida pelo ganho de corrente
c) É pequena
d) É aproximadamente igual à corrente de emissor					
5. Se o ganho de corrente é de 200 e a corrente de colector é de 100 mA, a corrente de base é igual a
a) 0,5 mA
b) 2 mA
c) 2 A
d) 20 A										
6. A tensão base-emissor é normalmente
a) Menor que a tensão da fonte de polarização da base
b) Igual à tensão da fonte de polarização da base
c) Maior que a tensão da fonte de polarização da base
d) Nada se pode afirmar								
7. A tensão colector-emissor normalmente é:
a) Menor que a tensão da fonte de polarização do colector
b) Igual à tensão da fonte de polarização do colector
c) Maior que a tensão da fonte de polarização do colector
d) Nada se pode afirmar								
8. A potência dissipada por um transístor é aproximadamente igual à corrente de colector multiplicada por:
a) A tensão base-emissor
b) A tensão colector-emissor
c) A tensão da fonte da base
d) 0,7 V										
9. A pequena corrente de colector que está presente quando a corrente de base é zero, provém da corrente de fugas
a) Do díodo de emissor
b) Do díodo do colector
c) Do díodo de base
d) Do transístor							
10. Se a corrente de base é de 100 mA e o ganho de corrente é de 30, a corrente de colector vale:
a) 300 mA
b) 3 A
c) 3,33 A
d) 10 A									
11. Na zona activa, a corrente de colector não é afectada significativamente por:
a) A fonte de tensão de polarização da base
b) A corrente de base
c) O ganho de corrente
d) A resistência de colector								
12. Se a resistência de base está em aberto, que valor tem a corrente de colector?
a) 0
b) 1 mA
c) 2 mA
d) 10 mA								
Problemas:
1. Considere o circuito da figura:
a) Qual o valor da corrente de base?
b) Se o ganho de corrente diminuir de 200 para 100 na figura anterior, quanto valerá então a corrente de base?
c) Se a resistência de 330 kohm tiver uma tolerância de 5%, qual é o valor máximo da corrente de base?
2. Um circuito de um transístor, semelhante ao do problema anterior, tem uma fonte de polarização de colector de 20 V, uma resistência de colector de 1,5 kohm e uma corrente de colector de 5 mA.
Calcule o valor da tensão de colector-emissor.
3. Se num transístor a corrente de colector é de 100 mA e a tensão colector-emissor é 3,5 V, que potência dissipa esse transístor nessa situação?
Julho 15, 2009 1 Comentário
 
	































